Navdih pregled Reference Hišni konfigurator Fotomontaža Gradbeni Nasveti
Izdelki pregled Streha Fasada Odvodnjavanje strehe Solarni sistemi Protipoplavna zaščita Trakovi in plošče
Storitve pregled Hišni konfigurator Fotomontaža Naročite brošure Poiščite obrtnike v svoji bližini Naročite garancijski list Vprašanja in odgovori Vaša oseba za stik pri podjetju PREFA Za obdelovalce Za arhitekte
Prednosti pregled Gradbeni material aluminij Posebne teme
Razvoj podjetja pregled O nas Prosta delovna mesta News Mediji
Stik pregled Vaša oseba za stik pri podjetju PREFA Obrazec za stik Naročite brošure Naročite se na novice
Reference pregled Referenčni objekti Najbolj odmevni arhitekturni projekti Galerija slik s primeri obnov z izdelki
Gradbeni Nasveti pregled Sanacija strehe Prenova fasade Oblikovanje fasade Fasade iz lesa in aluminija Strešna kritina za vsako obliko strehe Preprosta predstavitev fotovoltaike Opečni videz
Za obdelovalce pregled Akademija Usposabljanje iz polaganja: podpora na terenu Smernice za montažo & videi Promocijska gradiva, logotipi in vzorci izdelkov
Za arhitekte pregled Doživite PREFARENZEN Naročite knjigo o arhitekturi in mapo za arhitekte Središče za prenose BIM
Gradbeni material aluminij pregled 40 let garancije Trajnost Celovit sistem Odpornost proti vetru
Posebne teme pregled Protipožarna zaščita Spomeniško varstvo
O nas pregled Družinsko podjetje PREFA Naše vrednote in cilji Trajnost
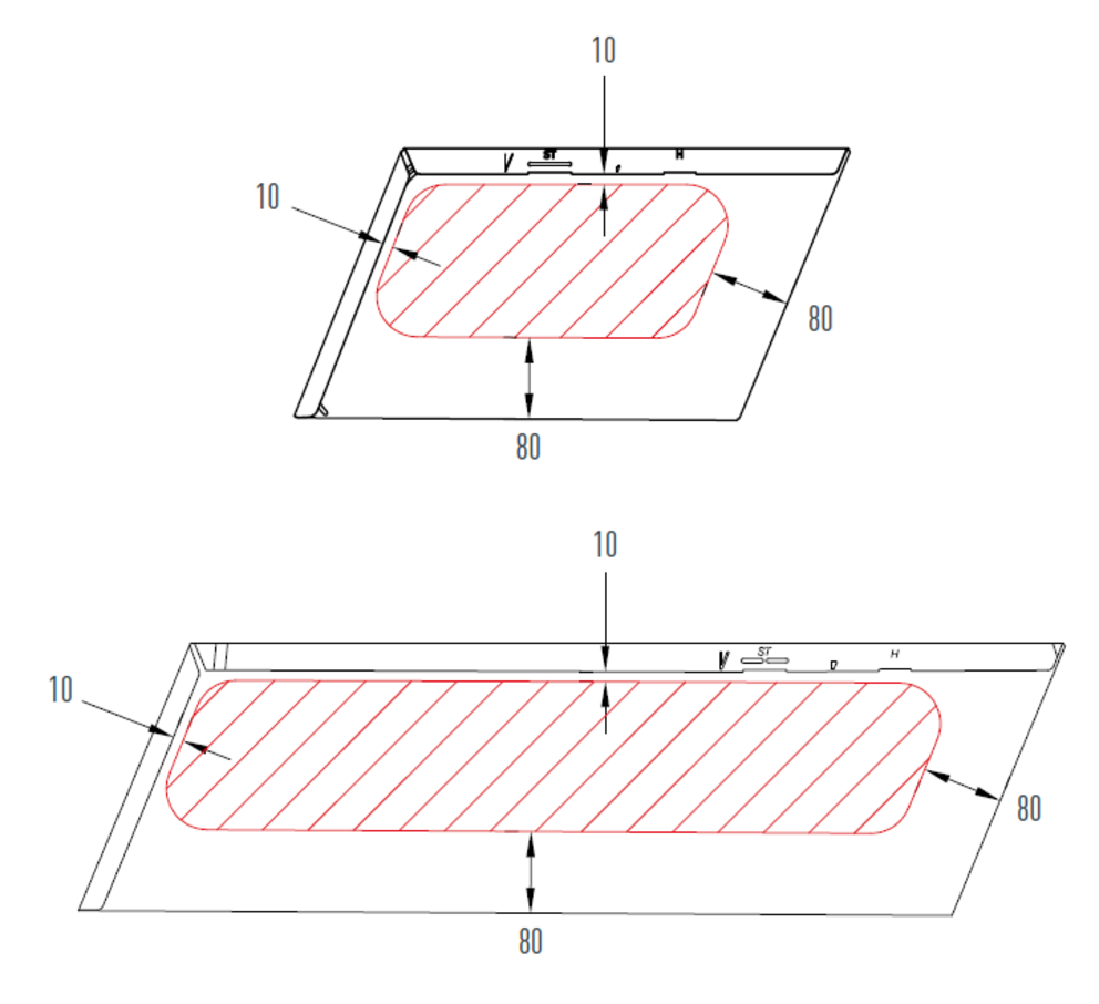
If you install items onto the façade (such as lamps), pay attention to the permissible installation area of the façade shingles during installation. If it is not possible to adhere to the installation area, a production board must be folded in.
Prenesete lahko samo vsebine iz ene kategorije izdelkov. Če potrebujete vsebine iz več kategorij, ustvarite ločen prenos za vsako področje izdelkov.