Mere in dovoljena odstopanja v skladu z EN 612
Kljuka za žleb |
Dolžina [mm] |
Razlika do standardne dolžine [mm] |
|
Kljuka za žleb 250 |
335 |
||
Kljuka za žleb 250 (kratka) |
287 |
- |
48 |
Kljuka za žleb 280 |
347 |
||
Kljuka za žleb 280 (kratka) |
297 |
- |
50 |
Kljuka za žleb 280 (dolga) |
445 |
+ |
98 |
Kljuka za žleb 333 |
383 |
||
Kljuka za žleb 333 (kratka) |
312 |
- |
71 |
Kljuka za žleb 333 (dolga) |
473 |
+ |
90 |
Kljuka za žleb 400 |
452 |
Kljuka za pravokotni žleb |
Dolžina [mm] |
Kljuka za pravokotni žleb 250 |
325 |
Kljuka za pravokotni žleb 333 |
370 |
Kljuka za pravokotni žleb 400 |
435 |
Kljuka za pravokotni žleb 500 |
455 |
Kljuka za čelno desko |
Dolžina [mm] |
Kljuka za čelno desko 250 |
135 |
Kljuka za čelno desko 280 |
139 |
Kljuka za čelno desko 333 |
154 |
Kljuka za čelno desko za pravokotni žleb |
Dolžina [mm] |
Kljuka za čelno desko za pravokotni žleb 250 |
130 |
Kljuka za čelno desko za pravokotni žleb 333 |
145 |
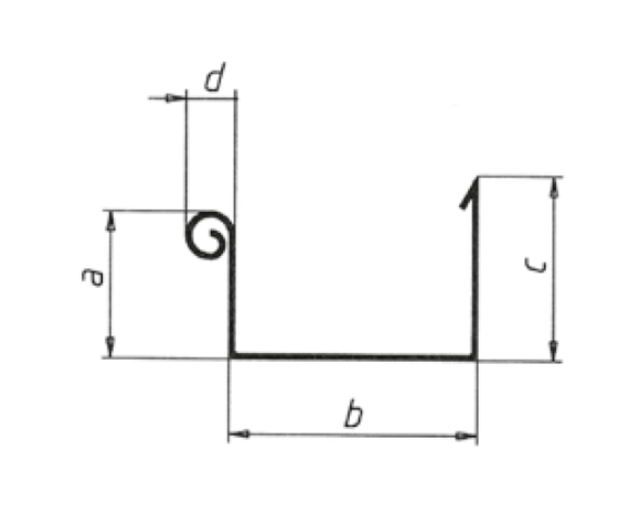
dimenzija strešnega žleba |
Sprednja stran a |
Hrbtna stran c |
Žleb e |
Zavitek d |
250 (8-delni) |
61 |
72 |
110 |
19 |
280 (7-delni) |
67 |
78 |
126 |
19 |
333 (6-delni) |
87 |
98 |
153 |
19 |
400 (5-delni) |
110 |
121 |
192 |
19 |
Mere v mm
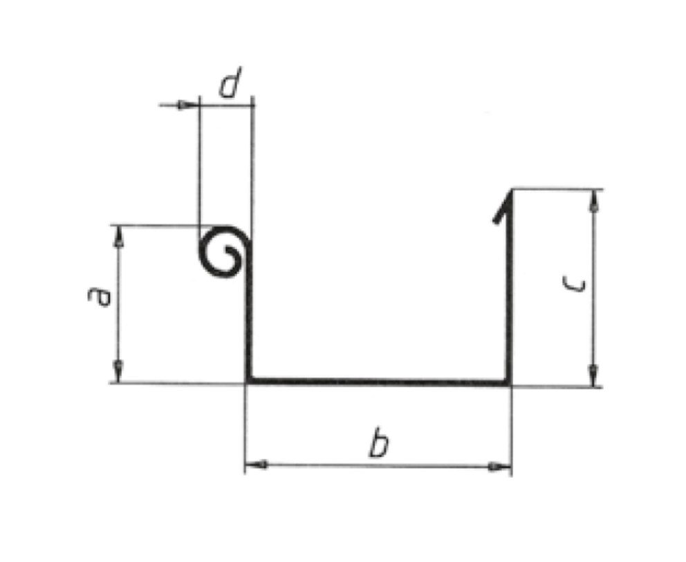
dimenzija strešnega žleba |
Sprednja stran a |
Hrbtna stran c |
Žleb e |
Zavitek d |
250 (8-delni) |
54 |
63 |
86 |
19 |
333 (6-delni) |
75 |
93 |
120 |
19 |
400 (5-delni) |
92 |
113 |
150 |
19 |
500 (4-delni) |
114 |
142 |
200 |
19 |
Mere v mm
Kotni žleb 90° (zunanji) |
Dolžina [mm] |
Kotni žleb 250 |
300 |
Kotni žleb 280 |
300 |
Kotni žleb 333 |
300 |
Kotni žleb 400 |
340 |
Kotni žleb 90° (notranji) |
Dolžina [mm] |
Kotni žleb 250 |
300 |
Kotni žleb 280 |
300 |
Kotni žleb 333 |
300 |
Kotni žleb 400 |
340 |
Kotni žleb 90° pravokotni (zunanji) |
Dolžina [mm] |
Kotni pravokotni žleb 250 |
300 |
Kotni pravokotni žleb 333 |
300 |
Kotni pravokotni žleb 400 |
300 |
Kotni pravokotni žleb 500 |
370 |
Kotni žleb 90° pravokotni (notranji) |
Dolžina [mm] |
Kotni pravokotni žleb 250 |
300 |
Kotni pravokotni žleb 333 |
300 |
Kotni pravokotni žleb 400 |
300 |
Kotni pravokotni žleb 500 |
350 |
Prenesete lahko samo vsebine iz ene kategorije izdelkov. Če potrebujete vsebine iz več kategorij, ustvarite ločen prenos za vsako področje izdelkov.