Napotek
To poglavje zaradi različnih državnih predpisov v Nemčiji in Švici ni uporabno. Za podrobnejše informacije se obrnite na službo za tehnično pomoč v ustrezni državi!
Pritrditev s fiksnimi in pomičnimi sidri se izvede glede na statične zahteve. Nacionalni standardi in strokovna pravila lahko določajo drugačne zahteve in jih je treba upoštevati. V spodnjih tabelah najdete navedbo najmanjšega števila sider [kos/m²] glede na kategorijo terena, višino stavbe in osnovno hitrost vetra.
Navedena najmanjša števila sider zajemajo faktor delne varnosti 1,35 in so določena kot teoretične vrednosti. R = mejno območje (koeficient zunanjega tlaka cpe = –2,9), N = običajno območje (koeficient zunanjega tlaka = –1,3).
Kategorija terena II
Osnovni tlak hitrosti [kN/m²] |
Osnovna hitrost [m/s] |
Višina stavbe < 15 [m] |
Višina stavbe 15–30 [m] |
Višina stavbe 30–50 [m] |
N | R [kosov/m²] |
N | R [kosov/m²] |
N | R [kosov/m²] |
||
≤ 0,32 |
≤ 22,5 |
3,7 | 8,2 |
4,3 | 9,7 |
4,9 | 10,9 |
≤ 0,39 |
≤ 25,0 |
4,5 | 10,0 |
5,3 | 11,8 |
6,0 | 13,3 |
≤ 0,47 |
≤ 27,5 |
5,4 | 12,0 |
6,4 | 14,2 |
7,2 | 16,1 |
≤ 0,56 |
≤ 30,0 |
6,4 | 14,3 |
7,6 | 16,9 |
8,6 | 19,1 |
Kategorija terena III
Osnovni tlak hitrosti [kN/m²] |
Osnovna hitrost [m/s] |
Višina stavbe < 15 [m] |
Višina stavbe 15–30 [m] |
Višina stavbe 30–50 [m] |
N | R [kosov/m²] |
N | R [kosov/m²] |
N | R [kosov/m²] |
||
≤ 0,32 |
≤ 22,5 |
3,1 | 7,0 |
3,8 | 8,5 |
4,4 | 9,9 |
≤ 0,39 |
≤ 25,0 |
3,8 | 8,5 |
4,7 | 10,4 |
5,4 | 12,0 |
≤ 0,47 |
≤ 27,5 |
4,6 | 10,2 |
5,6 | 12,5 |
6,5 | 14,5 |
≤ 0,56 |
≤ 30,0 |
5,5 | 12,2 |
6,7 | 14,9 |
7,7 | 17,3 |
Kategorija terena IV
Osnovni tlak hitrosti [kN/m²] |
Osnovna hitrost [m/s] |
Višina stavbe < 15 [m] |
Višina stavbe 15–30 [m] |
Višina stavbe 30–50 [m] |
N | R [kosov/m²] |
N | R [kosov/m²] |
N | R [kosov/m²] |
||
≤ 0,32 |
≤ 22,5 |
2,2 | 5,0 |
2,9 | 6,4 |
3,5 | 7,8 |
≤ 0,39 |
≤ 25,0 |
2,7 | 6,0 |
3,5 | 7,9 |
4,3 | 9,5 |
≤ 0,47 |
≤ 27,5 |
3,3 | 7,3 |
4,2 | 9,5 |
5,2 | 11,5 |
≤ 0,56 |
≤ 30,0 |
3,9 | 8,7 |
5,1 | 11,3 |
6,1 | 13,7 |
Navedena najmanjša števila sider zajemajo faktor delne varnosti 1,35 in so določena kot teoretične vrednosti. R = mejno območje (koeficient zunanjega tlaka cpe = –2,9), N = običajno območje (koeficient zunanjega tlaka = –1,3).
Kategorija terena II
Osnovni tlak hitrosti [kN/m²] |
Osnovna hitrost [m/s] |
Višina stavbe < 15 [m] |
Višina stavbe 15–30 [m] |
Višina stavbe 30–50 [m] |
N | R [kosov/m²] |
N | R [kosov/m²] |
N | R [kosov/m²] |
||
≤ 0,32 |
≤ 22,5 |
4,2 | 9,3 |
4,9 | 10,9 |
5,5 | 12,4 |
≤ 0,39 |
≤ 25,0 |
5,1 | 11,3 |
6,0 | 13,3 |
6,8 | 15,1 |
≤ 0,47 |
≤ 27,5 |
6,1 | 13,6 |
7,2 | 16,1 |
8,1 | 18,2 |
≤ 0,56 |
≤ 30,0 |
7,3 | 16,2 |
8,6 | 19,1 |
9,7 | 21,6 |
Kategorija terena III
Osnovni tlak hitrosti [kN/m²] |
Osnovna hitrost [m/s] |
Višina stavbe < 15 [m] |
Višina stavbe 15–30 [m] |
Višina stavbe 30–50 [m] |
N | R [kosov/m²] |
N | R [kosov/m²] |
N | R [kosov/m²] |
||
≤ 0,32 |
≤ 22,5 |
3,5 | 7,9 |
4,3 | 9,6 |
5,0 | 11,2 |
≤ 0,39 |
≤ 25,0 |
4,3 | 9,6 |
5,3 | 11,7 |
6,1 | 13,6 |
≤ 0,47 |
≤ 27,5 |
5,2 | 11,6 |
6,3 | 14,1 |
7,4 | 16,4 |
≤ 0,56 |
≤ 30,0 |
6,2 | 13,8 |
7,6 | 16,9 |
8,8 | 19,5 |
Kategorija terena IV
Osnovni tlak hitrosti [kN/m²] |
Osnovna hitrost [m/s] |
Višina stavbe < 15 [m] |
Višina stavbe 15–30 [m] |
Višina stavbe 30–50 [m] |
N | R [kosov/m²] |
N | R [kosov/m²] |
N | R [kosov/m²] |
||
≤ 0,32 |
≤ 22,5 |
2,5 | 5,6 |
3,3 | 7,3 |
4,0 | 8,9 |
≤ 0,39 |
≤ 25,0 |
3,1 | 6,8 |
4,0 | 8,9 |
4,8 | 10,8 |
≤ 0,47 |
≤ 27,5 |
3,7 | 8,2 |
4,8 | 10,7 |
5,8 | 13,0 |
≤ 0,56 |
≤ 30,0 |
4,4 | 9,8 |
5,7 | 12,8 |
6,9 | 15,5 |
Napotek
Ne glede na izračunane vrednosti razdalja med sidri v območju fiksnih sider ne sme presegati 330 mm in v območju pomičnih sider 500 mm. V območju dodatnih elementov, pritrjenih na zgibe (snegolov, podkonstrukcija PV, varnostna oprema strehe), razdalja med sidri ne sme presegati 330 mm!
Izračun razdalje med sidri glede na širino trakov in zahtevanega števila sider/m².
100: (širina traku [m] × število sider [kosov/m²]) = razdalja med sidri [cm] [najv. razdalja med sidri 50 cm, najv. razdalja med fiksnimi sidri 33 cm]
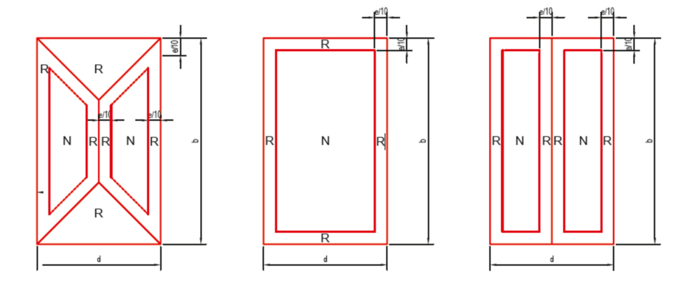
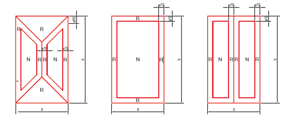
Opomba
e = b ali 2*h (odločilna je manjša vrednost) – razdalja se nanaša na osnovno površino
ed = mera razdalje na strešni površini; ed = (e/10)/ (cos)
b = največja širina stavbe
h = največja višina stavbe
a = naklon strehe
Primer:
Kraj |
Innsbruck |
|---|---|
Stavbe glede na kategorijo terena |
II |
Največja višina stavbe |
10.5 m |
Osnovna hitrost |
27,1 m/s |
Največji Širina traku glede na tabelo 1 |
43 cm |
Število sider za mejno območje glede na tabelo 2 |
12,0 kosov/m² |
Število sider za normalno območje glede na tabelo 2 |
5,4 kosa/m² |
Mejno območje (R) = 100 : (0,43 m × 12,0 kosov/m²) = 19,4 cm → razdalja med sidri 19 cm [najv. razdalja med sidri 50 cm, najv. razdalja med fiksnimi sidri 33 cm]
Normalno območje (N) = 100 : (0,43 m × 5,4 kosa/m²) = 43,1 cm → razdalja med sidri 43 in 33 cm [najv. razdalja med sidri 50 cm, najv. razdalja med fiksnimi sidri 33 cm]
Prenesete lahko samo vsebine iz ene kategorije izdelkov. Če potrebujete vsebine iz več kategorij, ustvarite ločen prenos za vsako področje izdelkov.